风压传感器(变送器)

KB6B

风压传感器属于矿用监测产品,该型号的风压传感器(变送器)高可靠性,高精度;使用简洁,方便,耐水耐油。我公司自从研发出该风压传感器(变送器)以来,不断技术**,我们的风压传感器(变送器)质优价廉,售后服务好。欢迎来电咨询!一、产品简介1、 采用美国进口扩散硅压阻敏感芯体,具有高可靠性、高精度。2、 采用二线制的特殊电路,使用简洁、方便。3、全不锈钢密封结构,耐水、耐油。二、外形尺寸(可根据用户实际要

详细介绍
风压传感器属于矿用监测产品,该型号的风压传感器(变送器)高可靠性,高精度;使用简洁,方便,耐水耐油。我公司自从研发出该风压传感器(变送器)以来,不断技术**,我们的风压传感器(变送器)质优价廉,售后服务好。欢迎来电咨询!
一、产品简介
1、 采用美国进口扩散硅压阻敏感芯体,具有高可靠性、高精度。

2、 采用二线制的特殊电路,使用简洁、方便。

3、全不锈钢密封结构,耐水、耐油。

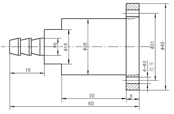
二、外形尺寸(可根据用户实际要求定做):


三、技术参数:


四、客户端线序:
红——电源(+);蓝——电源(-)。

业务电话:130 9393 1543 

E-mailhoward@uuuce.com

Q  Q: 16157587
地址:陕西省汉中市经济技术开发区创智产业园D


Copyright@ 2011-2025  陕西优汉测控科技有限公司版权所有     陕ICP备2025064588号-1