首页
关于我们
产品展示
技术支持
新闻资讯
联系我们
查询
首页
关于我们
产品展示
技术支持
新闻资讯
联系我们
首页
>
产品中心
>
压力传感器及变送器
数字式带显示压力变送器
YB23Y
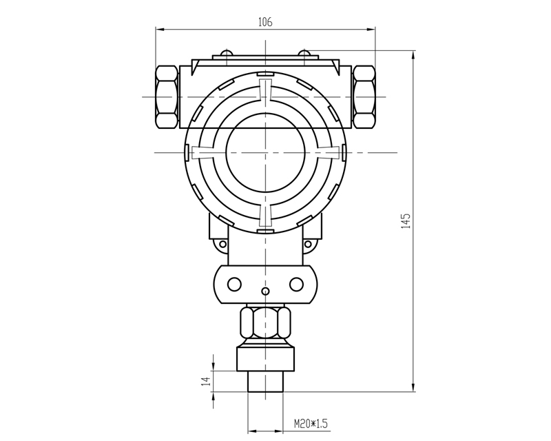
该型号的压力变送器是面向压力检测的数字式输出的压力测试装备,它周期性的测量现场压力并显示在自带的LED屏幕上,并可根据上位机指令将压力值通过RS485通讯接口传输至上位机。一、产品特点: 该型号压力变送器自带LED显示屏,清晰的显示出信号。经过特有的温度补偿后,全温区的精度0.25%,主要应用在水文测试,地质勘测,石油化工,矿山机械,冶金化工等。二、外观尺寸图:
详细介绍
该型号的压力变送器是面向压力检测的数字式输出的压力测试装备,它周期性的测量现场压力并显示在自带的LED屏幕上,并可根据上位机指令将压力值通过RS485通讯接口传输至上位机。
一、产品特点:
该型号压力变送器自带LED显示屏,清晰的显示出信号。经过特有的温度补偿后,全温区的精度0.25%,主要应用在水文测试,地质勘测,石油化工,矿山机械,冶金化工等。
二、外观尺寸图:
上一篇:
压力传感器芯体
下一篇:
优良压力变送器
产品推荐
负压传感器
矿用负压传感器
风压传感器(变送器)
压力变送器
溅射薄膜压力变送器
业务电话:
130 9393 1543
E-
mail
:
howard@uuuce.com
Q Q: 16157587
地址:陕西省汉中市经济技术开发区创智产业园
D
栋
技术支持
传感器在测试系统中至关重要
磁致伸缩液位传感器工作原理
如何正确使用压力变送器
矿用投入式液位传感器的简介
关于液位传感器灵敏度的选择
ZH3钻孔应力传感器使用说明
新闻资讯
MEMS传感器市场预测
我国将制定24项传感器新标准
中国传感器协会代表团赴俄罗斯访问考察圆满成功
国内传感器标准化技术委员会召开四届二次工作会议
在转型中赢发展 创造新辉煌——在中国传感器及衡器协会第九届二次理事会(扩大)会议上的讲话
中国传感器及衡器协会九届二次理事会(扩大)会议5月10日在南京召开
联系我们
扫一扫加客服微信
Copyright@ 2011-2025
陕西优汉测控科技有限公司
版权所有
陕ICP备2025064588号-1